
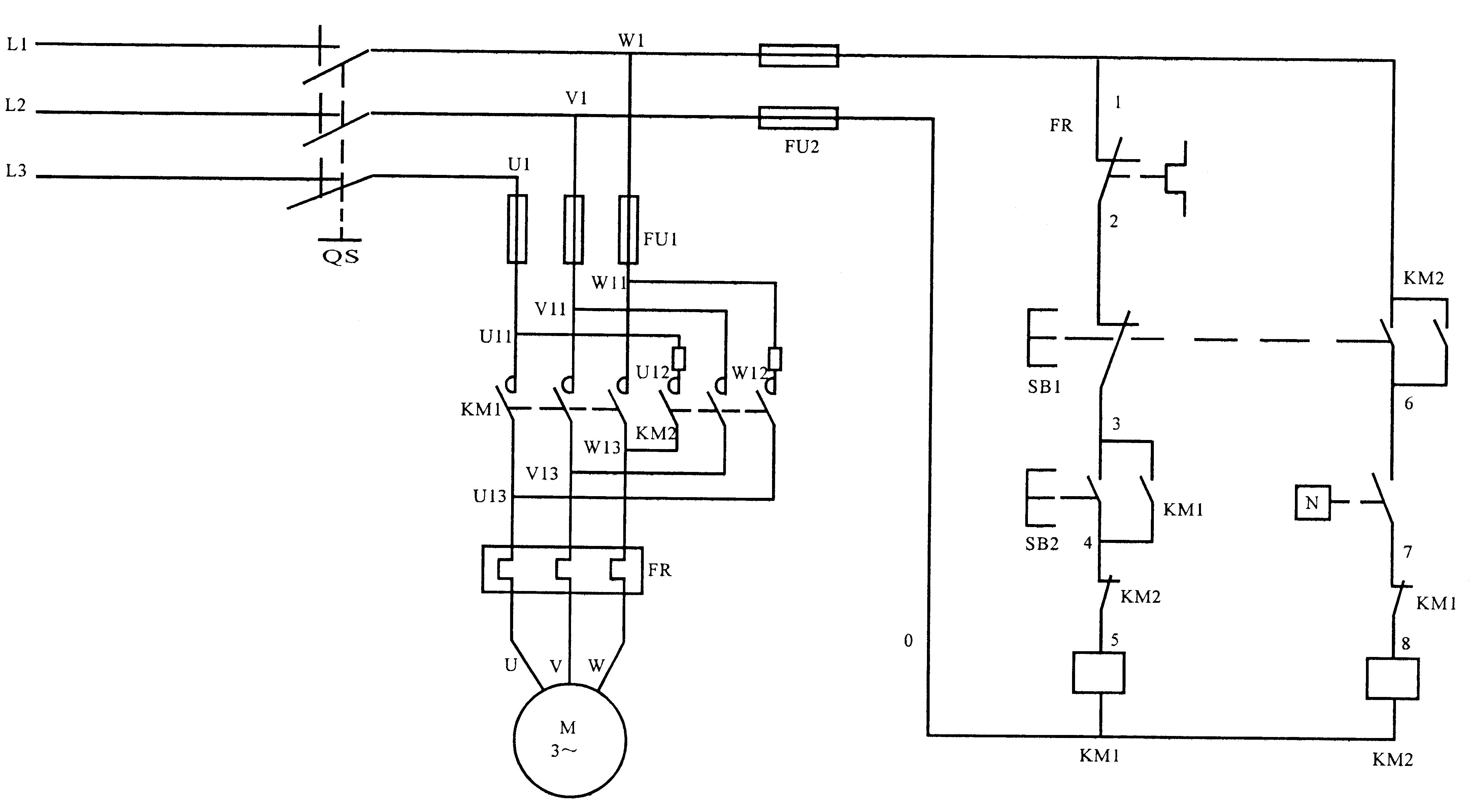
| 代号 | 名称 | 型号 | 规格 | 数量 | 备注 |
| QS | 低压断路器 | DZ108-20/10 | 脱扣器整定电流0.63-1A | 1 | 实验屏上 |
| FU1 | 熔断器 | 配2A熔断体 | 5 | ||
| FU2 | 熔断器 | 配熔体2A | 2 | ||
| KM1、KM2 | 交流接触器 | 线圈AC380V | 2 | ||
| FR | 热继电器 | R16B-20/3 | 整定电流0.63-1A | 1 | |
| SB1、SB2 | 按钮开关 | 2 |
SB1为红色 SB2为绿色 |
||
| R1、R2 | 电阻 | 510Ω/25W | 2 | ||
| M | 三相鼠笼式异步电动机 | 380V(Y/△) | 1 |


品牌理念
标准流程
有效沟通
专业管理
优秀团队
品质保证
无忧售后
生产基地:上海松江叶榭工业园
业务电话:021-56311657 , 56411696 , 业务传真:021-56411696 公司邮箱:shanghaimaoyu@126.com 教学设备厂 沪公网安备 31010702001294 号 沪ICP备13020377号-1 |