设为首页| 收藏本站| 联系我们

并联型硅稳压管稳压电路的组装实验

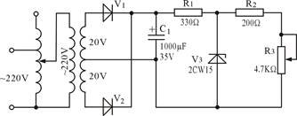
一、电路原理图:
 
                                      图1
本电路适于输出电流较小,电压稳定性要求不太高的场合。
二、元器件清单:
序号 名称 型号与规格 数量 备注
1 电阻器 RJ-2W-200Ω±1℅ 1  
2 RJ-1W-330Ω±1℅ 1  
3 电解电容器 CD11-35V-1000uF 1  
4 二极管 1N4007 2  
5 稳压二极管 2CW15/8V 1  
6 电位器 WH5-1A-4.7KΩ 1  
7 接线柱 Φ3弱点座 3 红2、黑1
8 电子线路板   1  
按元器件清单配齐全部元器件,并用万用表检查各元器件的质量与规格。
三、按电路原理图检查印刷线路板的走线是否正确合理。
四、元器件的安装和焊接与单相整流电路相同。
五、调试:
(1) 一般检查  
在稳压电源的元器件部安装、焊接完毕后,应再做一次通电前的检查。
    ① 电路中不应存在开路或短路现象。
② 应再检查一次有极性元件(二极管、硅稳压管和电解电容器),看在安装、焊接后极性是否正确。
(2) 调试方法
调试的目的是保证在交流电源电压波动±10%时,直流稳压输出电压稳定不变;同时,在负载电流变化时(不超过额定电流),输出电压也应始终稳定不变。
通电调试时需用交流调压器,以改变输入电压。另外,要用一只电阻值及功率符合电路要求的可变电阻作可调假负载。将电源变压器的一次侧接调压器输出端,假负载电阻接稳压电源的输出端。接通电源,将调压器的电压调至220V。这时用万用表直流电压档测量稳压电源的电压,此电压应为8V。当改变负载电阻值R3时(额定负载至空载),此电压应仍为8V。
再将调压器的输出电压由198V缓慢上升到242V(额定电压的±10%)时,稳压电源的输出应仍保持8V不变。
在稳压电源的负载端为空载时,稳压电源电路中的限流电阻的发热应在允许范围以内。
在上述调试过程中,凡有不符合上述要求的,则表明电路存在故障。
(3)硅稳压管稳压电源的故障排除
1) 输出电压为零。当出现输出端电压为零或在0.5~0.7V之间的故障时,其原因及排除方法如下。
① 硅稳压管短路。
② 硅稳压管的极性接反,此时输出电压在0.5~0.7V左右。
上述两种故障通常伴有限流电阻R1过热的现象。
③ 限流电阻R1开路。
对上述三种故障的原因,仅用万用表的欧姆档在切断电源的情况下,分别
对元件的电阻值进行测量,就可确定故障所在,更换损坏的元件,电路即可正常工作。
2) 输出电压过高,甚至达20V以上。此故障的原因是硅稳压管开路(或联接线开路,焊点虚焊)。这时可将硅稳压管焊下后进行测试,也可直接换新硅稳压管再试。如果原来的硅稳压管经过测试是好的,或换上新管后故障依旧,则是有关线路(包括焊接)开路,使硅稳压管在电路中不起作用,查出故障点后修复即可。
3) 输出电压不稳定或不能稳定在8V
① 输出电压不稳定,是硅稳压管的性能变差或损坏,可更换稳压管。
② 输出电压能稳定,但稳压值不为8V的故障原因,是硅稳压管的型号规格有错误,可更换同规格的新管。
③ 通电时电源侧的熔体爆断或稳压电路中元器件大量烧毁。此故障通常是电源变压器一次侧与二次侧接线错接的缘故。在检查后确认错接时,应立即更正,并更换损坏的元器件。

我们的优势:

品牌理念品牌理念 标准流程 标准流程 有效沟通有效沟通专业管理 专业管理客户视图 客户视图优秀团队优秀团队品质保证品质保证无忧售后无忧售后
上海茂育科教设备有限公司,立于上海,心怀天下
生产基地:上海松江叶榭工业园

业务电话:021-56311657 , 56411696 , 业务传真:021-56411696 公司邮箱:shanghaimaoyu@126.com
教学设备厂 沪公网安备 31010702001294 号 沪ICP备13020377号-1
备案