设为首页
|
收藏本站
|
联系我们
网站首页
企业概况
新闻动态
产品介绍
产品导航
行业标准
技术文章
配置方案
技能大赛
成功案例
企业博客
售后服务
联系我们
维修电工实训设备
高级技师电工实训设备
网孔板电工电子实训设备
工业自动化实训设备
PLC可编程实训设备
电机实训设备
高性能电工电子实验设备
工厂电气控制实训设备
单片机实训设备
计算机原理实训设备
电工电子实训设备
立式电工电子实训考核设备
模电数电实训设备
电子实训设备
柜式电工电拖实训设备
数电模电实验箱
光机电一体化实训设备
传感器实训设备
家用电器实训设备
电梯实训设备
光伏发电实训室设备
机械陈列柜
机械创新实训设备
液压传动实训设备
煤矿安全培训技能实训设备
环境工程实训设备
化工工程实训设备
化工原理实训设备
流体力学实训设备
新能源实训设备
过程控制实训设备
钳工实验室设备
工程制图实验室设备
热工实训设备
教学数控车床铣床实训设备
采暖通风实训设备
机床电气实训装置
数控维修实训室设备
透明注塑机模型
楼宇实训设备
汽车底盘实训室设备
物业管理实训室设备
汽车驾驶模拟器
汽车发动机实训设备
汽车发动机拆装台实训设备
汽车空调系统实训设备
汽车全车电器实验台
汽车变速器实训设备
暖通空调实训室设备
汽车解剖模型
制冷制热实训设备
消防实训室设备
汽车示教板
新能源汽车实训设备
新能源汽车电池实训室设备
部队.军校实训设备
船舶工程实训室设备
教学模型
汽车电路接线实训设备
心肺复苏模拟人
风力发电实训设备
新能源汽车电机驱动实训室
汽车电子实验箱
环境实验室实验设备
给排水工程处理实验室设备
工程机械实验设备
工业机器人应用实训室设备
农机工程机械实训设备
主页
>
新闻动态
>
集成稳压器实验--模拟电路实验箱
2021-11-02
集成稳压器实验--模拟电路实验箱
一、实验目的
1、了解集成稳压器特性和使用方法。
2、掌握直流稳压电源主要参数测试方法。
二、实验原理
随着半导体工艺的发展,稳压电路也制成了集成器件。由于集成稳压器具有体积小,外接线路简单、使用方便、工作可靠和通用性等优点,因此在各种电子设备中应用十分普遍,基本上取代了由分立元件构成的稳压电路。集成稳压管的种类很多,应根据设备对直流电源的要求来进行选择。对于大多数电子仪器、设备和电子电路来说,通常是选用串联线性集成稳压器。而在这种类型的器件中,又以三端式稳压器应用最为广泛。
78、79系列三端式集成稳压器的输出电压是固定的,在使用中不能进行调整。78系列三端式稳压器输出正极性电压,一般有5V、6V、9V、12V、15V、18V、24V七个档次,输出电流最大可达1.5A(加散热片)。同类型78M系列稳压器的输出电流为0.5A,78L系列稳压器的输出电流为0.1A。若要求负极性输出电压,则可选用79系列稳压器。图17-1为78系列的外形和接线图。它有三个引出端
输入端(不稳定电压输入端) 标以“1”
输出端(稳定电压输出端) 标以“3”
公共端 标以“2”
除固定输出三端稳压器外,尚采可调式三端稳压器,后者可通过外接元件对输出电压进行调整,以适应不同的需要。
本实验所用集成稳压器为三端固定正稳压7805,它的主要参数有:输出直流电压U0=+5V,输出电流L:0.1A,M:0.5A,电压调整率10mv/v,输出电阻R0=0.15Ω,输入电压U
i
的范围8~10V。因为一般U
i
要比U0大3~5V,才能保证集成稳压器工作在线性区。
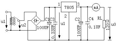
图17-2是用三端稳压器7805构成的单电源电压输出串联型稳压电源的实验电路图。其中整流部分采用了由四个二极管组成的桥式整流器(也可用桥堆替代,型号为1CQ-4B,内部接线和外部管脚引线如图17-3所示)。滤波电容C1、C2一般选取几百~几千微法。当稳压器距离整流滤波电路比较远时,在输入端必须接入电容器C3(数值为0.33uF),以抵消线路的电感效应,防止产生自激振荡。输出端电容C4(0.1uF)用以滤除输出端的高频信号,改善电路的暂态响应。
图17-2 由7805构成的串联型稳压电源
图17-4为正、负双电压输出电路,例如需要U
O1
=+18V,U
O2
=-18V,则可选用7818和7918三端稳压器,这时的U
i
应为单电压输出时的两倍。当集成稳压器本身的输出电压或输出电流不能满足要求时,可通过外接电路来进行性能扩展。图17-5是一种简单的输出电压扩展电路。如7805稳压器的3、2端间输出电压为5V,因此只要适当选择R的值,使稳压管工作在稳压区,则输出电压U
O
=5+U
Z
,可以高于稳压器本身的输出电压。
图17-6是通过外接晶体管T及电阻R
1
来进行电流扩展的电路。电阻R
1
的阻值由外接晶体管的发射结导通电压U
BE
、三端式稳压器的输入电流I
i
(近似等于三端稳压器的输出电流I
O1
)和T的基极电流I
B
来决定,即
式中:I
C
为晶体管T的集电极电流,它应等I
C
=I
O
-I
O1
于;β为T的电流放大系数;对于锗管U
BE
可按0.3V估算,对于硅管U
BE
按0.7V估算。
图17-6 输出电流扩展电路
附:(1)图17-7为79系列(输出负电压)外形及接线图
(2)图17-8为可调输出正三端稳压器317外形及接线图。
三
、实验仪器
1、示波器
2、数字万用表
3、集成稳压电路一、集成稳压电路二模块
四、预习要求
1、复习教材直流稳压电源部分关于电源主要参数及测试方法。
2、查阅手册,了解本实验使用稳压器的技术参数。
3、计算图17-13电路中1Rp的值。估算图17-11电路输出电压范围。
4、拟定实验步骤及记录表格。
五、实验内容
1、稳压器的参数测试
实验电路如图17-9所示
图17-9三端稳压器参数测试
测试内容:
(1) 稳定输出电压。
(2) 电压调整率。
(3) 电流调整率。
(4) 纹波电压(有效值或峰值)
2、稳压器性能测试
仍用图17-9的电路,测试直流稳压电源性能
(1) 保持稳定输出电压的最小输入电压.
(2) 输出电流最大值及过流保护性能.
3、三端稳压器灵活应用(选做)
(1) 改变输出电压
实验电路如图17-10、17-11所示。按图接线,测量上述电路输出电压及变化范围。
(2) 组成恒流源
实验电路如图l7-12所示。
按图接线,并测试电路恒流作用。
图17-12
(3) 可调稳压器
①实验电路如图17-13所示
图17-13
LM3l7L最大输入电压40V,输出1.25V~37V,可调最大输出电流100mA。
注:(本实验只加l5V输入电压)
②按图接线,并测试:
I、电压输出范围。
II、按实验内容1测试各项指标。测试时将输出电压调到最高输出电压。
六、实验报告
1、整理实验报告,计算实验内容l的各项参数。
2、画出实验内容2的输出保护特性曲线。
3、总结本实验所用两种三端稳压器的应用方法。
上一篇:
波形变换电路实验--模拟电路实验箱
下一篇:
电压比较器实验--模拟电路实验箱
我们的优势:
品牌理念
标准流程
有效沟通
专业管理
客户视图
优秀团队
品质保证
无忧售后
上海茂育科教设备有限公司,立于上海,心怀天下
生产基地:上海松江叶榭工业园
业务电话:021-56311657 , 56411696 , 业务传真:021-56411696 公司邮箱:shanghaimaoyu@126.com
教学设备厂
沪公网安备 31010702001294 号
沪ICP备13020377号-1