三相异步电动机点动和自锁控制线路实验
一、三相异步电动机点动和自锁控制线路实验-
实验目的:
1、通过对三相异步
电动机点动控制和自锁控制线路的实际安装接线, 掌握由电气原理图变换成安装接线图的知识。
2、通过实验进一步加深理解点动控制和自锁控制的特点以及在机床控制中的应用。
二、选用组件:
1、实验设备
|
序 号 |
型 号 |
名 称 |
数 量 |
|
1 |
DQ10 |
三相鼠笼异步电动机(△/220V) |
1件 |
|
2 |
DQ39 |
继电接触控制挂箱(一) |
1件 |
|
3 |
DQ39-1 |
继电接触控制挂箱(二) |
1件 |
2、屏上挂件排列顺序
DQ39、DQ39-1
三、实验方法:
实验前要检查控制屏左侧端面上的调压器旋钮须在零位,下面“直流电机电源”的“电枢电源”开关及“励磁电源”开关须在“关”断位置。开启“电源总开关”,按下启动按钮,旋转调压器旋钮将三相交流电源输出端U、V、W的线电压调到220V。再按下控制屏上的“关”按钮以切断三相交流电源。以后在实验接线之前都应如此。
1、三相异步电动机点动控制线路:
按图7-1接线。图中SB
1、KM
1选用DQ39上元器件,Q
1、FU
1、FU
2 、FU
3 、FU
4选用DQ39-1上元器件,电机选用DQ10(△/220V)。接线时,先接主电路,它是从220V三相交流电源的输出端U、V、W开始,经三刀开关Q
1、波形测试FU
1、FU
2、FU
3、接触器KM
1主触点到电动机M的三个线端A、B、C的电路,用导线按顺序串联起来,有三路。主电路经检查无误后,再接控制电路,从波形测试FU
4插孔V开始,经按钮SB
1常开、接触器KM
1线圈到插孔W。线接好经指导老师检查无误后,按下列步骤进行实验:
(1)按下控制屏上“开”按钮;
(2)先合Q
1,接通三相交流220V电源;
(3)按下启动按钮SB
1,对电动机M进行点动操作,比较按下SB
1和松开SB
1时电动机M的运转情况。

图1 点动控制线路
2. 三相异步电动机自锁控制线路:
按下控制屏上的“关”按钮以切断三相交流
电源。按图7-2接线,图中SB
1、SB
2、KM
1、FR
1选用DQ39挂件,Q
1、FU
1、FU
2 、FU
3 、FU
4选用DQ39-1挂件,电机选用DQ10(△/220V)。
检查无误后,启动电源进行实验:
(1) 合上开关Q
1,接通三相交流220V电源;
(2) 按下起动按钮SB
2,松手后观察电动机M运转情况;
(3) 按下停止按钮SB
1,松手后观察电动机M运转情况。

图2 自锁控制线路
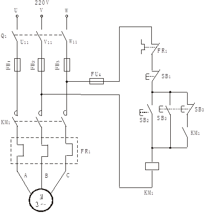
三相异步电动机既可点动又可自锁控制线路:

图3 既可点动又可自锁控制线路
按下控制屏上“关”按钮切断三相交流电源后,按图7-3接线,图中SB
1、SB
2、SB
3、KM
1、FR
1选用DQ39挂件,Q
1、FU
1、FU
2 、FU
3 、FU
4选用DQ39-1挂件,电机选用DQ10(△/220V),检查无误后通电实验:
合上Q
1接通三相交流220V电源;
(2) 按下起动按钮SB
2,松手后观察电机M是否继续运转;
(3) 运转半分钟后按下SB
3,然后松开,电机M是否停转;连续按下和 松开SB
3,观察此时属于什么控制状态;
(4) 按下停止按钮SB
1,松手后观察M是否停转。
四、讨论题:
1、试分析什么叫点动,什么叫自锁,并比较图7-1和图7-2的结构和功能上有什么区别?
2、图中各个电器如Q
1、FU
1、FU
2、FU
3、FU
4、KM
1、FR、SB
1、SB
2、SB
3各起什么作用?已经使用了波形测试为何还要使用热继电器?已经有了开关Q
1为何还要使用接触器KM
1?
3、图7-2电路能否对电动机实现过流、短路、欠压和失压保护?
4、画出图7-1、7-2、7-3的工作原理流程图。