
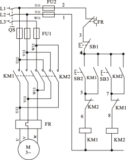
| 代号 | 名称 | 型号 | 规格 | 数量 | 备注 |
| QS | 低压断路器 | DZ108-20/10-F | 脱扣器整定电流0.63-1A | 1 | |
| FU1 | 螺旋式熔断器 | RL1-15 | 配熔体3A | 3 | |
| FU2 | 瓷插式熔断器 | RT18-32 | 配熔体3A | 2 | |
| KM1、KM2、 | 交流接触器 | CJX2-0910 | 线圈AC380V | 2 | |
| FR | 热继电器 | JRS1D-25 | 整定电流0.63-1A | 1 | 整定电流0.63A |
| SB1、SB2、SB3 | 按钮开关 | LAY16 | 一常开一常闭自动复位 | 3 |
SB2、 SB3用绿色 SB1红色 |
| XT | 接线端子排 | TB15 | AC660V25A | 10位 | |
| M | 三相鼠笼式异步电动机 |
UN380VIN0.53A PN160W |
1 |





品牌理念
标准流程
有效沟通
专业管理
优秀团队
品质保证
无忧售后
生产基地:上海松江叶榭工业园
业务电话:021-56311657 , 56411696 , 业务传真:021-56411696 公司邮箱:shanghaimaoyu@126.com 教学设备厂 沪公网安备 31010702001294 号 沪ICP备13020377号-1 |