
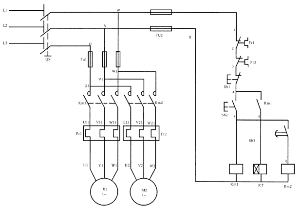
| 代号 | 名称 | 型号 | 规格 | 数量 | 备注 |
| QS | 低压断路器 | DZ108-20/10 | 脱扣器整定电流0.63-1A | 1 | |
| FU | 螺旋式熔断器 | RL1-15 | 配3A熔断体 | 5 | |
| KM1 KM2 | 交流接触器 | CJX2-0910 | 线圈AC380V | 2 | |
| 继电器方座 | PF-083A | 2 | |||
| FR1 FR2 | 热继电器 | JRS1D-25 | 整定电流0.63-1A | 2 | |
| KT | 时间继电器 | ST3PA | AC380V | 1 | |
| SB1 SB2 | 按钮开关 | LAY16 | 2 |
SB1为红色 SB2为绿色 |
|
| M1、M2 | 三相鼠笼式异步电动机 | 380V(Y/△) | 2 |


品牌理念
标准流程
有效沟通
专业管理
优秀团队
品质保证
无忧售后
生产基地:上海松江叶榭工业园
业务电话:021-56311657 , 56411696 , 业务传真:021-56411696 公司邮箱:shanghaimaoyu@126.com 教学设备厂 沪公网安备 31010702001294 号 沪ICP备13020377号-1 |