
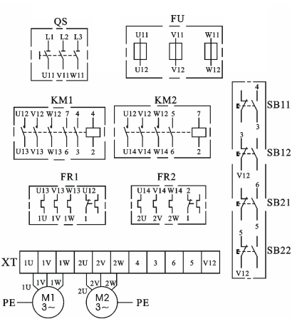
| 代号 | 名称 | 型号 | 规格 | 数量 | 备注 |
| QS | 低压断路器 | DZ108-20/10-F | 脱扣器整定电流0.63-1A | 1 | |
| FU | 螺旋式熔断器 | RL1-15 | 配熔体3A | 3 | |
| KM1 KM2 | 交流接触器 | CJX2-0910 | 线圈AC380V | 2 | |
| 继电器方座 | PF-083A | 2 | |||
| FR1 FR2 | 热继电器 | JRS1D-25 | 整定电流0.63-1A | 2 | |
|
SB11 SB12 SB21 SB22 |
按钮开关 | LAY16 | 4 |
SB11、SB21为绿色 SB12、SB22为红色 |
|
| XT | 接线端子排 | AC660V25A | 12位 | ||
| M1、M2 | 三相鼠笼式异步电动机 |
UN380V(Y) IN0.53APN160W |
2 |




品牌理念
标准流程
有效沟通
专业管理
优秀团队
品质保证
无忧售后
生产基地:上海松江叶榭工业园
业务电话:021-56311657 , 56411696 , 业务传真:021-56411696 公司邮箱:shanghaimaoyu@126.com 教学设备厂 沪公网安备 31010702001294 号 沪ICP备13020377号-1 |