
| 序号 | 名称 | 型号与规格 | 数量 | 备注 |
| 1 | 脉冲信号发生器 | 1 | ||
| 2 | 双踪示波器 | 1 | ||
| 3 | 动态电路实验板 | 1 |

|
电路参数 实验次数 |
文件参数 | 测量值 | ||||
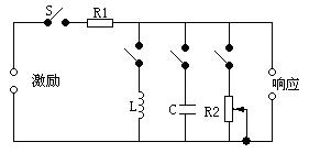
| R1 | R2 | L | C | α | ωd | |
| 1 | 10KΩ | 调至某一欠阻尼态 | 4.7mH | 1000pF | ||
| 2 | 10KΩ | 4.7mH | 0.01uF | |||
| 3 | 30KΩ | 4.7mH | 0.01uF | |||
| 4 | 10KΩ | 10mH | 0.01uF | |||
品牌理念
标准流程
有效沟通
专业管理
优秀团队
品质保证
无忧售后
生产基地:上海松江叶榭工业园
业务电话:021-56311657 , 56411696 , 业务传真:021-56411696 公司邮箱:shanghaimaoyu@126.com 教学设备厂 沪公网安备 31010702001294 号 沪ICP备13020377号-1 |